 
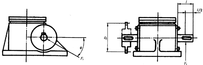
B1蝸桿軸伸上,由于安裝齒輪、鏈輪或帶輪所產生的徑向力Fr,其最大許用力與起升力和型號有差在1/2處所許用的最大徑向力和扭矩見圖B1和表B1。

| 型號 | Frmax N | Mtmax N·m | 
| SWL2.5/2.5M | 350 | 18 | 
| SWL5/5M | 750 | 44.2 | 
| SWL10/10M/15.15M | 1000 | 108 | 
| SWL20/20M | 1300 | 182 | 
| SWL25/25M | 2000 | 314 | 
| SWL35/35M | 2300 | 398 | 
| 注:表中參炸毀是按φ≈30°或330°的計算的。 | ||

 

冀公網安備13092802000153號